
電流互感器的交流耐壓試驗設備及儀器和試驗方法參照變壓器工頻交流耐壓試驗,耐壓試驗時,被試繞組短接至兆歐表,非被試繞組均短路接地;在試驗過程中,若由于空氣濕度、溫度、表面臟污等影響,引起被試品表面滑閃放電或空氣放電,不應認為被試品的內絕緣不合格,需經清潔、于燥處理之后,再進行試驗;升壓必須從零開始,不可沖擊合閘。升壓速度在40%試驗電壓以內可不受限制,其后應均勻升壓,速度約為每秒3%的試驗電壓;耐壓試驗前后均應測量被試品的絕緣電阻;高壓試驗變壓器有測量繞組的,在不使用時,低端必須接地,注意繞組不能短路;耐壓試驗接線必須實行“三檢制”(自檢、互檢、工作負責人檢);加壓過程中,必須有人呼唱、監護;加壓部分對非加壓部分的絕緣距離必須足夠,并要防止對運行設備及非加壓部分的傷害。
電壓互感器特有的試驗項目
1.電壓變比測量(包括電容式電壓互感器的中間變壓器)
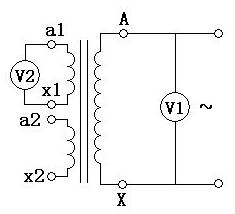
方法1:電壓表法
待檢互感器一次及所有二次繞組均開路,將調壓器輸出接至一次繞組端子,緩慢升壓,同時用交流電壓表測量所加一次繞組的電壓U1和待檢二次繞組的感應電壓U2,計算U1/U2的值,判斷是否與銘牌上該繞組的額定電壓比(U1n/U2n)相符,見圖1。
電壓表法試驗接線圖

圖1 電壓表法試驗接線圖
方法2:變比電橋法,參照儀器使用說明書進行。
試驗要求:
與銘牌和標志相符。
2.電磁式電壓互感器介質損耗因數及電容量測量
(1) 正接法
圖示的接線以HSXJS-IV型介質損耗測試儀為例,實際接線應按所使用的儀器說明書進行接線。
正接法接線圖

圖2 正接法接線圖
正接線的特點:
a.測量結果主要反映一次繞組和二次繞組之間和端子板絕緣的電容量和介質損耗因數;
b.測量結果不包括鐵芯支架絕緣的電容量和介質損耗因數(如果PT底座墊絕緣就可以);
c.測量結果不受端子板的影響;
d.試驗電壓不應超過3kV(建議為2kV)。
(2) 反接法
反接法接線圖

圖3 反接法接線圖
反接法的特點
a.測量結果主要反映一次繞組和二次繞組之間、鐵芯支架、端子板絕緣的電容量和介質損耗因數;
b.測量結果受端子板的影響;
c.試驗電壓不應超過3kV(建議為2kV)。
(3) 末端屏蔽法

圖4 末端屏蔽法接線圖
末端屏蔽法的特點:
a.對于串激式電壓互感器,測量結果主要反映鐵芯下部和二次線圈端部的絕緣,當互感器進水時該部位絕緣最容易受潮,所以末端屏蔽法對反映互感器受潮較為靈敏;
b.對于串激式電壓互感器,被測量部位的電容量很小,容易受到外部干擾;
C.試驗電壓可以是10kV;
d.嚴禁將二次繞組短接。
(4) 末端加壓法
末端加壓法的特點:
a.不用斷開互感器的高壓端子,試驗中將高壓端接地;
b.測量結果主要是反映一、二次線圈間的電容量和介質損耗因數,不包括鐵芯支架的電容量和介質損耗因數;
c.由于高壓端接地,外部感應電壓被屏蔽掉,所以這種方法有較強的抗干擾能力;
d.測量結果受二次端子板絕緣的影響;
e.試驗電壓不宜超過3kV;
f.嚴禁將二次繞組短接。

圖5 末端加壓法接線圖
圖6 測量支架的介質損耗因數
(5)串激式電壓互感器支架介質損耗因數的測量
測量接線見圖6,互感器放置于絕緣墊上。由于支架的電容量很小,通常只有幾十PF,所以要求介損測量儀應有相應的測量范圍。
試驗要求及結果判斷:
a.采用末端屏蔽法和末端加壓法時,嚴禁將二次繞組短接。
b.串級式電壓互感器建議采用末端屏蔽法,其他試驗方法與要求自行規定;
c.前后對比宜采用同一試驗方法;
d.交接時,35kV以上電壓互感器,在試驗電壓為10kV時,按制造廠試驗方法測得的介損不應大于出廠試驗值的130%;
e.支架介損一般不大于6%;
f.與歷次試驗結果相比,應無明顯變化;
g.繞組tgδ不應大于規程規定值。
4、
1.變比試驗
方法1:電流法
由調壓器及升流器等構成升流回路,待檢TA一次繞組串入升流回路;同時用測量用TA0和交流電流表測量加在一次繞組的電流I1、用另一塊交流電流表測量待檢二次繞組的電流I2,計算I1/I2的值,判斷是否與銘牌上該繞組的額定電流比(I1n/I2n)相符。見圖7
電流互感器變比測量接線圖圖7電流互感器變比測量接線圖
電壓法接線圖

圖8電壓法
方法2:電壓法
待檢CT一次繞組及非被試二次繞組均開路,將調壓器輸出接至待檢二次繞組端子,緩慢升壓,同時用交流電壓表測量所加二次繞組的電壓U2、用交流毫伏表測量一次繞組的開路感應電壓U1,計算U2/U1的值,判斷是否與銘牌上該繞組的額定電流比(I1n/I2n)相符。
方法3:電流互感器變比測試儀(互感器伏安特性測試儀),按說明書操作。
注意事項:
方法1:測量某個二次繞組時,其余所有二次繞組均應短路、不得開路,根據待檢CT的額定電流和升流器的升流能力選擇量程合適的測量用CT和電流表;
方法2:二次繞組所施加的電壓不宜過高,防止CT鐵心飽和
方法3:測量某個二次繞組時,其余所有二次繞組均應短路、不得開路,根據待檢CT的額定電流和升流器的升流能力選擇合適的測量電流。
結果判斷:
與銘牌和標志相符。